91香蕉视频在线,91香蕉视频污版,91香蕉视频黄色片,91香蕉成人免费APP下载
网站首页
关于91香蕉视频在线
企业简介
资质荣誉
品牌优势
执行标准
91香蕉视频黄色片中心
不锈钢管材
活接装配91香蕉视频污版
双卡压式91香蕉视频污版
环压式91香蕉视频污版
沟槽式91香蕉视频污版
对接焊91香蕉视频污版
定制91香蕉视频黄色片
变径和堵帽
工程91香蕉成人免费APP下载
住宅办公
医院
学校
酒店
设备工厂
安装指南
密封圈性能
安装操作视频
安装标准
管材标准
卡压标准
环压标准
新闻资讯
公司动态
项目动态
行业资讯
常见问题
新闻中心
91香蕉视频黄色片详情
用户意见
联系91香蕉视频在线
联系91香蕉视频在线
91香蕉视频在线招聘
电话:13359181110
安装指南
密封圈性能
安装操作视频
安装标准
管材标准
卡压标准
环压标准
首页
>>
安装指南
>>
环压标准
2021-09-06 07:18:41
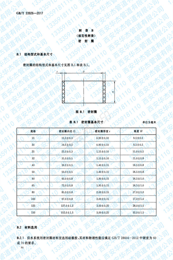
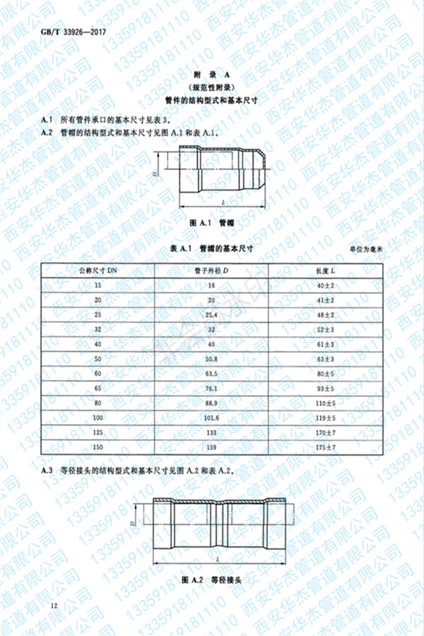
GB/T 33926-2017 《不锈钢环压式91香蕉视频污版》
分享到:
上一篇:没有了!
下一篇:没有了!
返回顶部
029-86963398
在线咨询
微信二维码
电话
邮件
简介
联系
网站地图